GIBO | 20 Years Focus on Sensor Faucets, Sensor Flush Valves and Sensor Sanitary Ware | National Standard Setter | National High-Tech Enterprise | Specialized & Sophisticated Enterprise | Official Website: https://www.gibosensor.com

Bathroom sensor faucet GBL-6108AD

Thermoregulated type for both cold and hot water.Low power consumption sensor module,Waterproof design.Soft foaming water type,comfortable to use.

Close
Inquiry
Email: sales3@gibol.com.cn
  • Item Number: GBL-6108AD

  • Power: DC 6V or AC220V

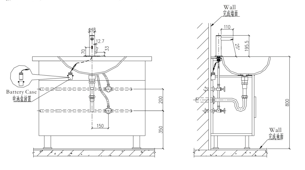
  • Size: 48x134x196mm

  • Sensing distance: 30±2cm(Based on standard white paperboard)

  • Diameter of inlet: DN15(G1/2")

  • Mounting dimension: ?35-45mm

  • Waterproof: IP56

1.Intelligent water saving:When the hands reach in the sensor range,the water is turn on,and the water will be turn off when the hands leave from the sensor range.On-off water time would be less than 0.7s.

2.Hygiene and convenient: Touchless sensor type for the water,Effectively prevent bacterial cross-infection, hygiene and convenient.

3.Remote control for distance adjustment: The sensing distance can be adjusted by remote control, it’s with storage function, the sensing distance will not be reseted after power failure.

4.Timeout protection: Washing time is set for 1min for both sensors. It means the sensor will automatically stop water flow if water continously flows for 1min,to avoid the water waste caused by the sensing from something else without people.

5.Intelligent power saving: Low power consumption chip control, built-in power saving working mode, ultra-low energy consumption, more effective in power saving (DC type product use 4pcs AA alkaline batteries).

6.Power-off protection:When the voltage is less than 4.6V for DC battery type product, the red indicator will flash to remind people to replace the batteries.When power-off happens suddenly during the use,people could also stop the water.

7.Power options: AC,DC or AC&DC dual-use for option, AC and DC type could be switched freely for AC&DC dual-use type.

8.High standard faucets: The body of the faucets is made of national standard 59-1 brass,chrome surface could pass 24hours CASS test.

9.Check valve: For Hot&Cold water type or optional mixer,to avoid hot and cold water running away from each other.

10.Anti-charging protection: AC&DC dual-use products, microcomputer control the dual power supply which could automatic switch freely, and prevent AC power supply from charging to the batteries.

11.Long service time:Bistable solenoid valve,could pass the endurance test at 800,000 times and closure test at 16 bars.

12.Super waterproof: Waterproof design for the connector, solenoid valve and sensor module, with waterproof level IP56.

13.High standard manufacturing: Strictly in accordance with and beyond the new national standard CJ/T194-2014 manufacturing.Comprehensive beyond in water-saving efficiency, power consumption and service life.

14.Water saving:Pass China water-saving product certification.

power consumption and service life.

15.Five years quality warranty: This product have long free warranty period for 2 years and 5 years quality warranty.


GIBO Sensor Faucet

GIBO Sensor Faucet

Q:Are you trade company or factory?

A:Gibo specialized in kitchen & bath automatic sensor faucet and other ware production for over 15 years.


Q: Why to choose the Automatic sensor faucet?

A: Gibo is professional manufacturer for automatic sensor faucet and smart sensor sanitary ware over 15 years.

The electric faucet is touchless faucet for touchless operation. It's the water saving faucet.


Q: Why choose Gibo provide the Automatic toilet flush valve?

A: Gibo can offer the high quality automatic toilet flush valve with CE, CUPC, NSF certificate etc.


Q: How should we know the quality of your automatic sensor faucet,  and automatic toilet & uriral flusher valve?

A: Gibo is a automatic sensor kitchen and bathroom  faucet factory with ISO9001:2008 quality management 

certificate in China. We have the complete QC system. All the kitchen and basin faucet  were pass the full test line. 

The kitchen and basin faucet  can pass the CE, UPC,NSF and other certificate.


Q: Do you accepted the OEM service?

A: Yes. The OEM and ODM are welcomed for automatic sensor faucet, electric basin faucet, touchless kitchen 

faucet, automatic toilet flush valve, automatic urinal flush valve, electric toilet seat cover, automatic soap dispenser, 

and other automatic sanitary ware. We have the professional R&D center and the strong R&D team to support your 

OEM&ODM service, and other technology sulotions. 


Q: What's the materials of the automatic sensor faucet and automatic sensor toilet urinal flush valve?

A: Most of the products' main body is Brass with high quality, we have the brass faucet, brass toilet urinal flush valve. 

The other economic items, the materials can be customized. 


Q: Can I get a sample?

A: Yes. We can offer one sample to you test the quality. And the sample fee can be return to you in the first order.


Q: How about the delivery time?

A: 3-7 days for the stock. The other orders depend on the quantity and our produce schedule. Usually, the hot sale 

electric automatic sensor basin faucet, hot selling touchless kitchen faucet, and hot selling automatic toilet urinal flush valve, 

we had prepared some stock for the on-line shop clients.


Q: What's the payment term you can accepted?

A: T/T, L/C, Western Union.